Phoenix NEO

Drastic Cleaning Reduction for Grinding Coolant System ALG

Grinding system with a new cyclone filter mounted on the uniquely designed tank.
Optimum for grinding sludge processing of non-magnetic materials.

Features

Coolant

Water soluble

Category

Non-Magnetic material

Processing Details

Grinding

Work Material

Aluminum Stainless Copper Titanium Mixed chips (aluminum + FC or sintered metal)

Chip Shape

Sandy

Grinding Chip Size

Ultrafine particles (5 μm to 10 μm) Fine particles (10 μm to 100 μm) Coarse particles (0.1 mm to 0.5 mm)

Machine Tool

Grinding machine

Mechanism

PXK Sludge Distribution
PXH Sludge Distribution
  1. The dirty liquid flows into the primary tank to generate a vortex. With its centripetal force, sludge and abrasive grains accumulate in the center of the tank.
  2. The supply pump in the center of the tank pumps the accumulated sludge and abrasive grains.
  3. The dirty liquid is filtered by the cyclone filter.
  4. Sludge is discharged from the drain section of the cyclone filter through the scraper conveyor.
  5. After the clean liquid flows into the secondary tank, it is supplied to the machine by the pump.
PXK Sludge Distribution
PXH Sludge Distribution
PXK Sludge Distribution

Specifications

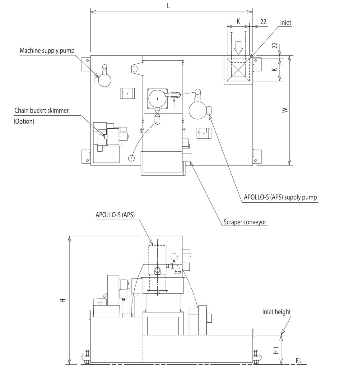
Dimensional drawing

PXK Sludge Distribution

Dimension table

PXH Sludge Distribution

Filtration accuracy

10 μm 90% or more

* The filtration accuracy is based on the results of our experiments, and does not imply that this level of accuracy is guaranteed.

Sludge distribution status

Machine tool: Grinding machine
Coolant: Water soluble
Processing flow rate: 100 L/min
Chip material: Steel

* This is the numeric value based on the Cyclone filter APOLLO-S (APS).

PXH Sludge Distribution

Processing flow rate

Water soluble

Product weight

Without oil cooler

With oil cooler

* The product weight varies depending on the specifications, options, etc.

Paint color

Silver gray (Munsell No. N-8.0)

* For information about the specified color, please consult us.

Geared motor

Scraper conveyor 15W

Option

* Please contact us for details.

Model code

Comparison with Old Models Table

* The filtration accuracy is based on the results of our experiments, and does not imply that this level of accuracy is guaranteed.
* The specifications and dimensions are subject to change without notice.
* For the oil-based specifications, please consult us.
* For information about custom products other than standard products, please consult us.